六九工地
avatar
首页 工具 记工 考试 登录

直斜梯展开计算器

🆔 工具ID: 352 楼梯计算 👥 使用次数: 10
直斜梯展开计算器
直斜梯展开计算器
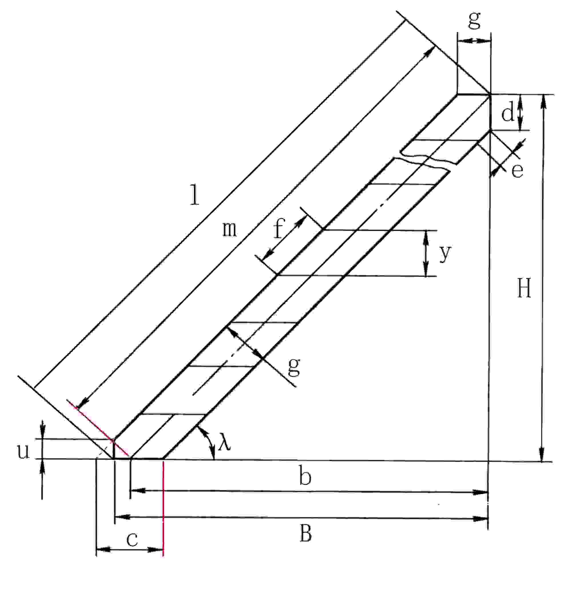
✏️ 直斜梯尺寸参数
📖 工具介绍与使用说明

🎯 工具用途

本工具专为直斜梯(单跑斜梯,无中间转折)的钣金展开设计。它可以根据输入的几何参数,精确计算侧板的下料长度、顶部和底部的切角尺寸、每一级踏板的安装定位点,并自动绘制带有完整标注的侧板展开图。

计算结果可直接用于车间放样、数控下料或手工划线,大大减少试错成本,保证安装精度。

📐 适用场景

  • 工业厂房与设备平台:连接不同高度平台、操作走廊的钢梯,通常采用槽钢或钢板侧板焊接踏板。
  • 船舶与海洋工程:舱室内外斜梯、机舱斜梯,要求精确匹配船体结构。
  • 民用建筑钢结构:室外消防梯、检修梯、地下室入口斜梯。
  • 非标机械框架:大型设备内部的斜向通道,需要自行制作焊接件。
  • 职业教育与培训:钣金展开、钢结构识图与放样的教学案例。

🔧 使用步骤

  1. 输入几何参数:
    • 垂直高度 H:梯段顶部平台面到底部地坪面的垂直距离(单位 mm)。
    • 侧板中线投影长 b:侧板中线在水平面上的投影长度,即梯段的水平跨度。
    • 侧板宽度 w:侧板截面的高度(并非板厚),也就是梯子本身的宽度(踏板搭接方向的尺寸)。
    • 踏步高度 y:设计期望的每一级踏步垂直高度(常用 150~200mm)。
    • 梯脚切角高 u:底部地梁(或基础角钢)的立面高度,通常为 80~120mm,用于切出卡住地梁的缺口。
  2. 可选设置:
    • 小数精度:控制输出数值的小数位数,一般取 2。
    • 踏板长度:填写后可在材料汇总中看到踏板的总面积,用于估算用料或重量(不填则该项不计算)。
  3. 点击“计算展开”:系统根据侧板内皮展开原理,计算所有关键点坐标和尺寸,并生成 SVG/Canvas 高清示意图。
  4. 查看与核对结果:
    • 在“基础几何参数”卡片中确认升角 λ、斜长 m 和侧板全长 I 是否符合预期。
    • “切角与踏板尺寸”给出顶部缺口尺寸 g 和 d、踏板间距 f 及标准板宽 c,是下料的核心数据。
    • “梯顶/梯脚直角折线三点”表格列出了切角的顶点坐标,可以直接在钢板上画线。
    • “踏板定位点”给出了每一级踏板左右两端在侧板上的 Y 坐标,用于划出踏板安装线。
  5. 现场放样应用:
    1. 取侧板坯料,长度按“侧板料全长 I”加适当余量下料。
    2. 按坐标 A0-A1-A2 划出顶部直角缺口,切去多余部分。
    3. 按坐标 B0-B1-B2 划出底部直角缺口,注意 B1 点为地梁内角。
    4. 从第一级踏板线 J0→K0 开始,每隔 f 划一条斜线,作为踏板焊接或螺栓连接的定位线。
    5. 踏板宽度按 c 下料,长度根据实际梯宽(通常等于侧板外间距)确定。

⚠️ 注意事项

  • 参数单位:所有长度单位均为毫米(mm),角度为度(°)。输入时请确保与实际图纸一致。
  • 侧板宽度 w 的定义:本工具中 w 是侧板的截面高度,即踏板所横跨的宽度。如果使用的是角钢或槽钢,w 应取内棱边到外棱边的实际跨度(通常等于踏板净宽)。
  • 侧板板厚处理:当前计算基于内皮尺寸,即默认侧板外皮与平台梁外皮平齐。若需以外皮为准,需稍作调整。
  • 踏步高度整除问题:当垂直高度 H 无法被踏步高度 y 整除时,底部最后一踏的实际高度会小于 y。总踏板数 N 始终保持为 floor(H/y)。若需均匀等分,请查看“推荐踏步高度”并相应调整 y 值。
  • 踏板长度选填:该参数仅用于面积估算,不影响任何几何计算。若用于下单采购,请额外考虑搭接余量及焊缝宽度。
  • 切角尺寸验证:顶部水平切角长 g 和垂直切角长 d 是基于侧板内皮与平台梁端面平齐时的理想尺寸。若平台梁较宽或需要留空隙,请根据实际情况修整。
  • 图纸方向:展开图中 Y 轴方向为侧板长度方向,X 轴为宽度方向。左右两侧板展开图形状对称,仅需镜像使用。

💡 常见问题

  • Q:为什么 J 点和 K 点的 Y 坐标不一样?
    A:因为侧板是倾斜的,而踏板必须保持水平。因此踏板左端(J 侧)和右端(K 侧)在侧板上对应的高度位置不同,高度差值恰好等于侧板宽度 w 乘以 cotλ。这与截图中的数据完全吻合。
  • Q:顶部切角尺寸 g 和 d 如何使用?
    A:在坯料顶部,以 A1 点为中心,向两侧各量取水平距离 g,再向下量取垂直距离 d,即可画出直角缺口。切割后,该缺口正好卡在平台梁上,保证侧板外表面与梁侧面平齐。
  • Q:推荐踏步高度有两个,应该选哪一个?
    A:第一个值(H/N)是保持当前踏板数 N 不变,将总高度均分后的踏步高度,可以使最后一级踏步高度与其他级一致,通常为首选。第二个值(H/(N+1))是在原设计上增加一级踏板后的均分高度,适用于想减小每级高度的场景。根据人体工程学和施工习惯选择整数或半整数即可。
  • Q:底部切角尺寸 u 如何确定?
    A:u 就是地梁角钢或基础钢构的立面高度。例如采用 L100×10 角钢做地梁,其肢高为 100mm,则 u 取 100。侧板底部会切出一个直角三角形缺口,使侧板能贴合在地梁上并保持外侧平齐。
  • Q:为什么我的踏板数比踏步数少一级?
    A:梯子顶部直接与平台连接,最高处无需踏板(人直接迈上平台),因此踏板数量等于踏步级数,即总高除以踏步高向下取整,这与截图说明中的“梯顶最高处无踏板”完全一致。
  • Q:图中 J/K 点坐标可以作为踏板下料依据吗?
    A:完全可以。J 点对应踏板靠墙角(或内侧)一侧的上沿角点,K 点对应踏板外侧上沿角点。实际下料时,踏板宽度 c 就是 J 到 K 的直线距离(斜边长),长度方向根据梯宽截取。
  • Q:生成的图片太密看不清标注怎么办?
    A:点击图片可进入全屏看图模式,使用鼠标滚轮或按钮放大/缩小。图片为高清矢量绘制,放大后标注依然清晰。